FDSS-GX from Hamamatsu is the highest-performance kinetic plate imager in the FDSS series, improved for 96-, 384-, and 1536-well for trustworthy and firm high throughput screening (HTS), allowing entire microplate imaging and concurrent injections to all wells.
High-sensitivity imaging with qCMOS sensor has been obtained by the system, along with highly precise and repeatable micro-dispensing by using a 1536 ch dispensing unit that has the potential to dispense variable volumes. By integrating optional parts, a robot-free semi-automation system could be created as per the usage of the customer.
Features
1. 1536 ch manifold pipettor head with independent metal piston cylinders
Dispensing precision and repeatability are significant factors in executing assays. The FDSS-GX obtains highly precise and repeatable micro-dispensing by adopting a 1536 ch dispensing unit with the potential of dispensing variable volumes. This dispensing unit consists of independent metal piston cylinders and dispensing tips dedicated to the FDSS-GX.
Dispensing units in 96 ch and 384 ch are available.

Dispensing unit (1536 tip type) A15623-28. Image Credit: Hamamatsu Photonics Europe GmbH

1536 black tip (10 racks) for FDSS-GX A8687-82. Image Credit: Hamamatsu Photonics Europe GmbH
Dispensing performance
The figure below displays the fluorescence intensity change in time and plate image when B-beads were dispensed into a 1536 microplate (5 µL/well), displaying a CV of 1.89% following dispensing.
The 1536 ch dispensing unit with separate metal piston cylinders and dispensing tips steadfast to FDSS offers the best dispensing performance.

Image Credit: Hamamatsu Photonics Europe GmbH
2. High sensitivity and high-resolution imaging with qCMOS sensor
The high-sensitivity qCMOS sensor is a standard in the FDSS-GX optical system.
In luminescence and fluorescence measurements, high quantitative performance has been obtained for low-light imaging, and the assay window has been extended as a result of the sensor’s extensive dynamic range, allowing measurement with an extensive linearity range.
The qCMOS sensor allows imaging of the entire plate due to the large sensor size and facilitates high-resolution measurement.
Detection sensitivity in fluorescence
In fluorescence measurements, the FDSS-GX can detect 0.03 nM Fluorescein (exposure time: 50 ms).
The graph below displays the fluorescence count and S/N ratio for titrated concentrations of Fluorescein, and the image below shows the 384 microplate.

Fluorescein concentration vs. RFU. Image Credit: Hamamatsu Photonics Europe GmbH

S/N ratio. Image Credit: Hamamatsu Photonics Europe GmbH

Microplate image (384 microplate). Image Credit: Hamamatsu Photonics Europe GmbH
Detections sensitivity in luminescence
As per calculation, the FDSS-GX could detect 3.9 fg Luciferase in luminescence measurements (exposure time: 5 seconds).
For titrated concentrations of Luciferase, the graph below illustrates the luminescence count, and the image below displays the 384 microplate.

Luciferase (pg/well) vs. RLU. Image Credit: Hamamatsu Photonics Europe GmbH

Microplate image (384 microplate). Image Credit: Hamamatsu Photonics Europe GmbH
Comparison of whole plate imaging
The qCMOS sensor makes it feasible to image the whole plate due to the large sensor size and allows high-resolution measurement.

Image Credit: Hamamatsu Photonics Europe GmbH
3. High-precision epifluorescence optical system with high power and long-life Xe lamp
The FDSS-GX consists of a high-accuracy epifluorescence optical system that includes high power and long-life Xe lamp that is built in-house. The combination of the Xe lamp and the steadfast dichroic mirrors/optical filters allows measurement with the help of several fluorescent dyes in the UV to IR range.

Image Credit: Hamamatsu Photonics Europe GmbH
Table 1. Source: Hamamatsu Photonics Europe GmbH
| |
User application |
| Excitation filter 1 |
Excitation filter 2 |
Shortpass filter |
Dichroic mirror |
Emission filter 1 |
Emission filter 2 |
| Fura-2 (Ca2+) |
340 nm* |
387 nm* |
SPF 495 |
UV* |
520 nm ∼ 560 nm |
- |
| SBFI (Na+) |
340 nm* |
387 nm* |
SPF 495 |
UV* |
520 nm ∼ 560 nm |
- |
| PBFI (K+) |
340 nm* |
387 nm* |
SPF 495 |
UV* |
520 nm ∼ 560 nm |
- |
| MQAE, diH-MEQ (CI-) |
387 nm* |
- |
SPF 495 |
UV* |
440 nm ∼ 470 nm* |
- |
| DAPI (DNA) |
387 nm* |
- |
SPF 495 |
UV* |
440 nm ∼ 470 nm* |
- |
| Hoechst33258 |
387 nm* |
- |
SPF 495 |
UV* |
440 nm ∼ 470 nm* |
- |
| VSP-1 |
387 nm* |
- |
SPF 400* |
For VSP* |
466 nm* |
560 nm* |
| CFP/YFP |
438 nm* |
- |
SPF 450* |
For C/Y* |
483 nm* |
542 nm* |
| HYPER |
425 nm* |
483 nm* |
SPF 495 |
For HYPER* |
520 nm ∼ 560 nm |
- |
| Fluo-8 (Ca2+) |
472 nm |
- |
SPF 495 |
B |
520 nm ∼ 560 nm |
- |
| Cal-520 (Ca2+) |
472 nm |
- |
SPF 495 |
B |
520 nm ∼ 560 nm |
- |
| Sodium Green (Na+) |
472 nm |
- |
SPF 495 |
B |
520 nm ∼ 560 nm |
- |
| FluxOR (K+) |
472 nm |
- |
SPF 495 |
B |
520 nm ∼ 560 nm |
- |
| BCECF (pH) |
472 nm |
- |
SPF 495 |
B |
520 nm ∼ 560 nm |
- |
| FluoVolt |
472 nm |
- |
SPF 495 |
B |
520 nm ∼ 560 nm |
- |
| GFP |
472 nm |
- |
SPF 495 |
B |
520 nm ∼ 560 nm |
- |
| FITC |
472 nm |
- |
SPF 495 |
B |
520 nm ∼ 560 nm |
- |
| YFP |
472 nm |
- |
SPF 495 |
For YFP* |
520 nm ∼ 560 nm |
- |
| JC-1 |
531 nm |
- |
SPF 550 |
For JC-1* |
593 nm |
- |
| CoroNa Red (Na+) |
531 nm |
- |
SPF 550 |
For FMP |
593 nm |
- |
| FMP |
531 nm |
- |
SPF 550 |
For FMP |
593 nm |
- |
| Cal-590 (Ca2+) |
531 nm |
- |
SPF 550 |
For FMP |
593 nm |
- |
| Rhodamine |
531 nm |
- |
SPF 550 |
For FMP |
593 nm |
- |
| Cal-630 (Ca2+) |
605 nm* |
- |
SPF 630* |
For RED* |
676 nm* |
- |
| Nano-BRET |
- |
- |
- |
- |
461 nm* |
647 nm* |
*: Option
The wavelength value in the table above may not correspond to the typical excitation/emission wavelength for each application.
Depending on the application, we offer filter sets suitable for the FDSS-GX optical system. Please contact your Hamamatsu representative for further information.
4. Plate stacker unit for semi-automation
The FDSS-GX could automatically transfer compound plates and assay plates using two transfer lines: rear and front. A plate stacker unit consisting of a large-capacity cassettes for up to 20 microplates is available for robot-free semi-automation

FDSS-GX inner layout. Image Credit: Hamamatsu Photonics Europe GmbH

Plate stacker unit. Image Credit: Hamamatsu Photonics Europe GmbH
Applications
Fluorescence applications
Ca2+ assays
Fluo-8, Calbryte, -520, -590, -630 AM, Fura-2


Evaluation of ATP dose response using Fluo-8 AM-stained CHO cells. Image Credit: Hamamatsu Photonics Europe GmbH
Membrane potential assays
FluoVolt, SQMP, FMP
Other ion channel assays
K+: FluxOR*, Na+: ANG2, Sodium Green, Cl-: YFP, diH-MEQ
*Potassium ion channel screening using Tl+ is available

K+ assay in CHO cells using FluxOR. Image Credit: Hamamatsu Photonics Europe GmbH
FRET assays
CFP/YFP, fluorescence probe, voltage sensor probe, fluorescence protein


Evaluation of Nav 1.5-CHO cells using FRET-type voltage sensitive dye (VSP). Image Credit: Hamamatsu Photonics Europe GmbH
iPSC-derived cells


Ca2+ transient and membrane potential measurements using iPS cell-derived cardiomyocytes. Image Credit: Hamamatsu Photonics Europe GmbH
Luminescence applications
Ca2+ assays
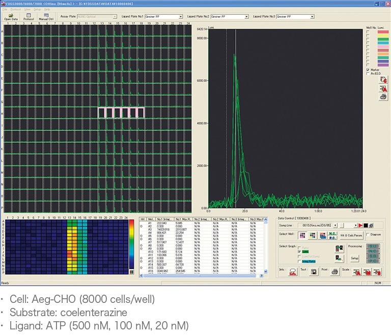
Aequorin

Intracellular Ca2+ assay by luminescence using an aequorin-expressing cell line. Image Credit: Hamamatsu Photonics Europe GmbH

Ca2+ assay using aequorin-expressing cells. Image Credit: Hamamatsu Photonics Europe GmbH
BRET assays
BRET1, BRET2, NanoBRET

BRET assay using CHO cells. Image Credit: Hamamatsu Photonics Europe GmbH

Principle of β-arrestin BRET1-assay. Image Credit: Hamamatsu Photonics Europe GmbH
In CHO cells, Rluc - D2s receptors and eYFP – β-arrestin 2 are expressed, and Rluc and eYFP BRET taking place in cells when Ligand has been added are identified.
cAMP assays
GloSensor

cAMP evaluation using GloSensor. Image Credit: Hamamatsu Photonics Europe GmbH

Analysis of time course of cAMP using HUVEC expressing GloSensor (Promega). Image Credit: Hamamatsu Photonics Europe GmbH
Cell number evaluation using CytoTox-Glo cytotoxicity Assay


Cell number evaluation using CytoTox-Glo cytotoxicity Assay. Image Credit: Hamamatsu Photonics Europe GmbH
Specifications
Table 2. Source: Hamamatsu Photonics Europe GmbH
| . |
. |
. |
| Dispensing units |
1536 tip type A15623-28 |
1 µL to 5 µL |
| 384 tip type A10118-26 |
1 µL to 30 µL |
| 96 tip type A10118-24 |
10 µL to 200 µL |
| Fluorescence and luminescence detector |
Hamamatsu qCMOS sensor dedicated to FDSS |
| Number of sampling data points |
1 to 50 000 sampling |
| Sampling rate |
10 Hz (10 data points per second) minimum
120 Hz (120 data points per second) maximum* |
| Sampling interval |
0.1 s minimum
0.0083 s minimum* |
| Excitation light source |
Xe lamp
Optical filters can be selected |
| Plate shaking function |
Adjustable in 256 steps
Revolutions per minute: 0~3000 rpm |
| Heater unit |
Temperature control part |
FDSS-GX Main unit chamber (whole upper half) |
| Configurable temperature |
+40 ºC maximum |
| Tip loading |
Use Automatic tip loader A15623-07 |
| Number of plate loading lines |
Front loader × 1 Rear loader × 1 |
| Number of plate positions |
Assay plate |
Front loader × 1 |
| Compound plate |
Rear loader × 1, Compound plate stage (manual exchange) × 3 |
| Number of tip washer positions |
3 units maximum (Total with/without high power ultrasonic function, deep reservoir) |
| Number of dispensing unit positions |
2 units maximum (same tip type only) |
| Compatible dispensing tip |
1536 / 384 / 96 black tips dedicated to FDSS, A8687 series
Disposable type |
| Compatible microplate |
Clear bottom black 1536 / 384 / 96 plates
SBS format height 10 mm minimum |
| Power supply specifications |
Single phase AC 100 V ~ 240 V, 50 Hz / 60 Hz |
| Power consumption |
C15711-02: approx. 3115 VA
C7903-13: approx. 660 W
Required supply line: 15 A × 3 lines |
| Ambient operating temperature |
+15 ºC to 30 ºC |
| Dimensions/Weight |
Main unit |
1437 (W) × 850 (D) × 1467 (H) mm / approx. 320 kg |
| Data analysis unit |
570 (W) × 880 (D) × 943 (H) mm / approx. 82 kg |
| Plate stacker set |
437 (W) × 580 (D) × 1340 (H) mm / approx. 36 kg |
| Washing rack |
616 (W) × 924 (D) × 1038 (H) mm / approx. 19 kg |
| Circulating water cooler |
222 (W) × 386 (D) × 649 (H) mm / approx. 26 kg |
| Automatic tip loader |
233 (W) × 289 (D) × 447 (H) mm / approx. 21 kg |
* When using FDSS software option High speed acquisition option U8524-11